Развитие профессиональных умений студентов в условиях эксперимента

Современное образование » Формирование профессиональных умений студентов в условиях модульного обучения » Развитие профессиональных умений студентов в условиях эксперимента

Страница 9

В целях повышения эффективности и продуктивности модульного обучения целесообразно обеспечить процесс персональными компьютерами, при этом ПК должен выполнять контролирующую функцию, а не информационную.

В процессе обучения педагогу допустимо: 1) использовать уже созданные другими специалистами модульные программы; 2) создавать их самому путем модификации имеющихся учебных материалов; 3) строить модули заново. Необходимо помнить, что разработка конкретного модуля требует объединения усилий компетентных специалистов, знающих не только ту сферу, которая является основой его содержания, но и педагогику.

Приложение 1

Вариант диагностического задания для выявления уровня базовых знаний студентов-механиков

Представьте комплексное число во всех известных Вам формах. Изобразите комплексное число на комплексной плоскости:

Z = +13j

Решите дифференциальное уравнение классическим и операторным методом:

Y” + Y = sin 2X, Y(0) = 0, Y’(0) = 0

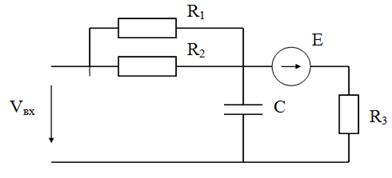
R1

Рассчитайте все токи электрической цепи, используя метод контурных токов (необходимые данные задайте самостоятельно):

Приложение 2

Уважаемый товарищ!

Просим Вас ответить на ряд вопросов, касающихся оценивания Ваших знаний в учебном процессе. Обведите кружком номер тех ответов, которые совпадают с Вашим мнением.

Соответствуют ли результаты Вашей учебной деятельности Вашим действительный возможностям?

а) результаты соответствуют;

б) результаты ниже моих возможностей.

Что мешает Вам в учебном процессе реализовать свои возможности?

а) отсутствие учебной самоорганизации;

б) трудности в овладении материалом;

в) недостаточный интерес к учению;

г) несправедливость преподавателя.

Соответствуют ли оценки, которые Вы получаете по разным учебным предметам, действительному уровню ваших знаний?

а) соответствуют;

б) соответствуют частично;

в) не соответствуют.

Как Вы считаете, у кого имеется более вероятное представление о соответствии Ваших возможностей результатам учебной деятельности:

а) у преподавателя;

б) у товарищей по учебной группе;

в) у Вас.

Сопоставляете ли Вы оценки, которые получаете по разным учебным дисциплинам с самооценкой?

а) соглашаюсь с оценкой;

б) возражаю;

в) не придаю значения этим оценкам.

Продолжение прил. 2

Что для Вас важнее при оценивании Вашей учебной деятельности?

а) то, как Вы сами себя оцениваете;

б) то, как Вас оценивают другие;

г) важно и то, и другое.

7. В каких случаях оценки доставляют Вам большее удовлетворение:

а) когда Вас переоценивают;

б) когда Вас недооценивают;

в) когда Вас оценивают правильно.

Чем Вы руководствуетесь при самооценке учебной деятельности?

а) затраченным трудом;

б) полученным результатом;

в) и тем, и другим.

Приложение 3

Уважаемый преподаватель!

Просим Вас ответить на следующие вопросы, касающиеся самостоятельной учебной деятельности учащихся и существующей системы обучения в вузе. Обведите кружком вариант ответа, соответствующий Вашему мнению.

Страницы: 4 5 6 7 8 9 10 11 12 13 14

Навигация